Tek satırız dişlisi sürücü silindiri
Cat:Zincir dişlisi tahrik silindiri
Tip SilinDir boyutu Silindir genişliği Silindir m...
Gelişmiş yapı, yüksek kaliteli performans, kullanımı kolay, yüksek güvenilirlik ve dayanıklılık.
Zincir dişli tahrik silindirleri tek veya çift dişli konfigürasyonları olabilir. Double sprocket drive rollers are more common and offer various load capacities based on roller diameter, wall thickness, and sprocket specifications, with compatibility for European, American, and national standard sprockets.

Tip SilinDir boyutu Silindir genişliği Silindir m...
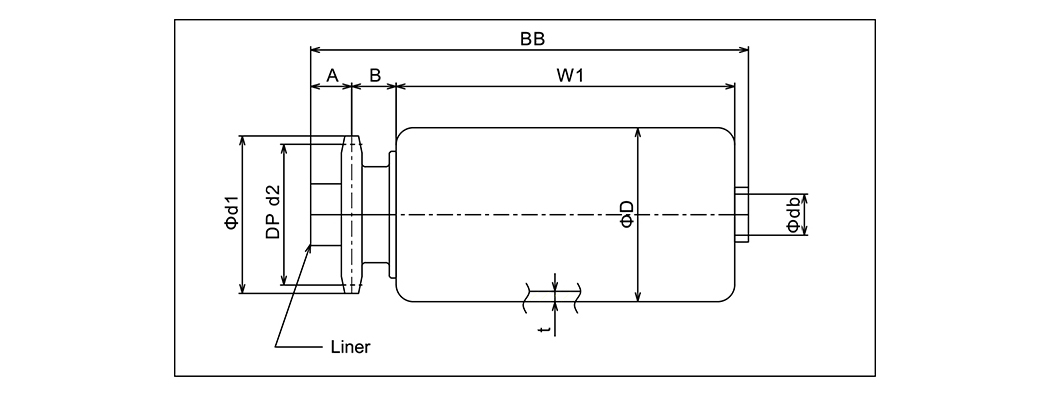
| Tip | SilinDir boyutu | Silindir genişliği | Silindir malzemesi | Taşıma | Şaft çapı | Astar boyutu | Zincir dişlisi | d | D2 | A | B | W1 | BB |
| KR-384010S | 38.1 × 2.3 | 100 ~ 800 | STKM | 6001ZZ · 6201Z | 12.0 | 18 × 12.2 × 26 | #40 × 10ts | 46 | 41.1 | 12 | 14 | W-1 | W 28 |
| KR-424010S | 42.7 × 2.3 | 100 ~ 800 | STKM | 6001ZZ · 6201Z | 12.0 | 18x12.2 × 26 | #40 × 10ts | 46 | 41.1 | 12 | 14 | W | W 28 |
| KR-484010S | 48.6 × 3.5 | 100 ~ 800 | SGP40A | 6001ZZ · 6201Z | 12.0 | 18 × 12.2 × 26 | #40 × 10ts | 46 | 41.1 | 12 | 11 | W 5 | W 28 |
| KR-504010S | 50.8 × 1.6 | 100 ~ 800 | STKM | 6001ZZ · 6201Z | 12.0 | 18 × 12.2 × 26 | #40 × 10ts | 46 | 41.1 | 12 | 13 | W-1 | W 28 |
| KR-574010S | 57.1 × 2.1 | 100 ~ 1000 | STKM | 6001ZZ · 6201Z | 12.0 | 18 × 12.2 × 26 | #40 × 10ts | 46 | 41.1 | 12 | 13 | W | W 28 |
| KR-604010S | 60.5 × 2.3 | 100 ~ 1000 | STKM | 6001ZZ · 6201Z | 12.0 | 18 × 12.2 × 26 | #40 × 10ts | 46 | 41.1 | 12 | 13 | W | W 28 |
| KR-605011s | 60.5 × 3. | 100 ~ 1000 | SGP50A | 6002zz | 15.0 | 21 × 15.2 × 41.5 · 21 × 15.2 × 12 | #50 × 11ts | 63 | 56.35 | 20 | 18 | W 3 | W 48 |
| KR-765011'ler | 76.3 × 4.2 | 100 ~ 1000 | SGP65A | 6002zz | 15.0 | 21 × 15.2 × 41.5 · 21 × 152 × 12 | #50 × 11ts | 63 | 56.35 | 20 | 18 | W 2 | W 48 |
| KR-605013S | 60.5 × 3.8 | 100 ~ 1000 | SGP50A | 6004ZZ | 20.0 | 29 × 20.2 × 38.5 · 29 × 20.2 × 15 | #50 × 13ts | 73 | 66.34 | 20 | 18 | W 1 | W 48 |
| KR-765013S | 76.3 × 4.2 | 100 ~ 1000 | SGP65A | 6004ZZ | 20.0 | 29x20.2x38.5 · 29 × 20.2 × 15 | #50 × 13ts | 73 | 66.34 | 20 | 18 | W 2 | W 48 |
| KR-895013S | 89.1 × 4.2 | 100 ~ 1000 | SGP80A | 6004ZZ | 20.0 | 29 × 20.2x38.5 · 29 × 202x15 | #50 × 13ts | 73 | 66.34 | 20 | 18 | W | W 48 |
| KR-1146014S | 114.3 × 4.5 | 300 ~ 2000 | SGP100A | 6205zz | 25.0 | 35 × 26 × 19 · 35 × 26 × 21 | #60 × 14ts | 93 | 85.61 | 20 | 23 | W | W 58 |
| KR-1406016S | 139.8 × 4.5 | 300 ~ 2000 | SGP125A | 6206ZZ | 30.0 | 38 × 31.1 × 19 · 38 × 31.1 × 21 | #60 × 16ts | 107 | 97.65 | 20 | 23 | W | W 58 |

Tip Silindir boyutu Silindir genişliği Silindir m...
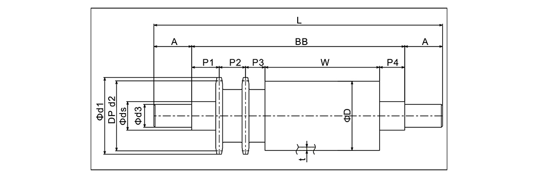
| Tip | Silindir boyutu | Silindir genişliği | Silindir malzemesi | Taşıma | Şaft çapı | Astar boyutu | Zincir dişlisi | D1 | D2 | A | B | C | W1 | BB |
| KR-384010SW | 38.1 × 2.3 | 100 ~ 800 | STKM | 6001ZZ · 6201Z | 12.0 | 18 × 12.2 × 53 | #40 × 10TSW | 46 | 41.1 | 12 | 23 | 18 | W-1 | W 58 |
| KR-424010SW | 42.7 × 2.3 | 100 ~ 800 | STKM | 6001ZZ · 6201Z | 12.0 | 18 × 12.2 × 53 | #40 × 10TSW | 46 | 41.1 | 12 | 23 | 18 | W | W 58 |
| KR-484010SW | 48.6 × 3.5 | 100 ~ 800 | SGP40A | 6001ZZ · 6201Z | 12.0 | 18 × 12.2 × 53 | #40 × 10TSW | 46 | 41.1 | 12 | 23 | 15 | W 5 | W 58 |
| KR-504010SW | 50.8 × 1.6 | 100 ~ 800 | STKM | 6001ZZ · 6201Z | 12.0 | 18 × 12.2 × 53 | #40x10tsw | 46 | 41.1 | 12 | 23 | 18 | W-1 | W 58 |
| KR-574010SW | 57.1 × 2.1 | 100 ~ 1000 | STKM | 6001ZZ · 6201Z | 12.0 | 18 × 12.2 × 53 | #40 × 10TSW | 46 | 41.1 | 12 | 23 | 18 | W | W 58 |
| KR-604010SW | 60.5 × 2.3 | 100 ~ 1000 | STKM | 6001ZZ · 6201Z | 12.0 | 18 × 12.2 × 53 | #40 × 10TSW | 46 | 41.1 | 12 | 23 | 18 | W | W 58 |
| KR-605011SW | 60.5 × 3.8 | 100 ~ 1000 | SGP50A | 6002zz | 15.0 | 21x15.2 × 66.5 · 21 × 15.2x12 | #50 × 11TSW | 63 | 56.35 | 20 | 25 | 18 | W 3 | W 7 |
| KR-765011SW | 76.3 × 4.2 | 100 ~ 1000 | SGP65A | 6002zz | 15.0 | 21 × 15.2 × 66.5 · 21 × 15.2 × 12 | #50 × 11TSW | 63 | 56.35 | 20 | 25 | 18 | W 2 | W 73 |
| KR-605013SW | 60.5 × 3.8 | 100 ~ 1000 | SGP50A | 6004ZZ | 20.0 | 29 × 20.2 × 63.5 · 29 × 20.2 × 15 | #50 × 13TSW | 73 | 66.34 | 20 | 25 | 18 | W 1 | W 73 |
| KR-765013SW | 76.3 × 4.2 | 100 ~ 1000 | SGP65A | 600422 | 20.0 | 29 × 20.2 × 63.5 · 29 × 20.2x15 | #50 × 13TSW | 73 | 66.34 | 20 | 25 | 18 | W 2 | W 73 |
| KR-895013SW | 89.1 × 4.2 | 100 ~ 1000 | SGP80A | 6004ZZ | 20.0 | 29 × 20.2 × 63.5 · 29 × 20.2 × 15 | #50 × 13TSW | 73 | 66.34 | 20 | 25 | 18 | W | W 73 |

Tip Silindir boyutu Runler genişliği Silindir ...
| Tip | Silindir boyutu | Runler genişliği | Silindir | Bearng | Şaft çapı | Zincir dişlisi | D1 | D2 | D3 | A | L | BB | P1 | P2 | P3 | P4 |
| KPR-574015SW | 57.2 × 2.6 | 300 ~ 2000 | STKM | UCPA204 | 25xw 152 | #40 × 15TSW | 67 | 61.08 | 20 | 33 | W 152 | W 86 | 24 | 23 | 17 | 22 |
| KPR-604015SW | 60.5 × 3.8 | 300 ~ 2000 | STKM | UCPA204 | 25xw 152 | #40 × 15TSW | 67 | 61.08 | 20 | 33 | W 152 | W 86 | 24 | 23 | 17 | 22 |
| KPR-765013SW | 76.3 × 4.2 | 300 ~ 2000 | SGP65A | UCPA204 | 25xw 163 | #50 × 13TSW | 73 | 66.34 | 20 | 33 | W 163 | W 97 | 32 | 25 | 18 | 22 |
| KPR-895013SW | 89.1 × 4.2 | 300 ~ 2000 | SGP80A | UCPA206 | 35xw 169 | #50 × 13TSW | 73 | 66.34 | 30 | 39 | W 169 | W 91 | 29 | 25 | 18 | 19 |
| KPR-1015018SW | 101.6 × 4.5 | 300 ~ 2000 | SGP90A | UCPA206 | 35xw 169 | #50 × 18TSW | 98 | 91.42 | 30 | 39 | W 169 | W 91 | 29 | 25 | 18 | 19 |
| KPR-1145018SW | 114.3 × 4.5 | 300 ~ 2000 | SGP100A | UCPA206 | 35xw 169 | #50 × 18TSW | 98 | 91.42 | 30 | 39 | W 169 | W 91 | 29 | 25 | 18 | 19 |
| KPR-1405018SW | 139.8 × 4.5 | 300 ~ 2000 | SGP125A | UCPA206 | 35xw 169 | #50 × 18TSW | 98 | 91.42 | 30 | 39 | W 169 | W 91 | 29 | 25 | 18 | 19 |
Makaralı Konveyör Bakımı Neden Sistem Ömrünü Doğrudan Etkiler? Makaralı konveyör ...
DEVAMINI OKUMakaralı Konveyörü Gerçekten Ağır Hizmet Yapan Nedir? Ağır hizmet tipi bir makaralı konv...
DEVAMINI OKUMakaralı Konveyörler Nedir ve Türü Neden Önemlidir? Makaralı konveyörler Mallar...
DEVAMINI OKUMakaralı Konveyörler Neden Malzeme Taşımanın Bel Kemiği Olarak Kalıyor? Makaralı kon...
DEVAMINI OKUKonveyör sistemleri Her gün milyonlarca ton malzemeyi fabrikalar, depolar, maden saha...
DEVAMINI OKUGeleceğe işçiliği getirmek.
No.60, Zhenhu North Road, Hudai kasabası, Binhu Bölgesi , Wuxi 214100, Çin
+86 139-2153-1116
+86-510-8558 1519/8558 1530
+86-510-8558 1520







