W-1225bs
Cat:Kesme tekerleği
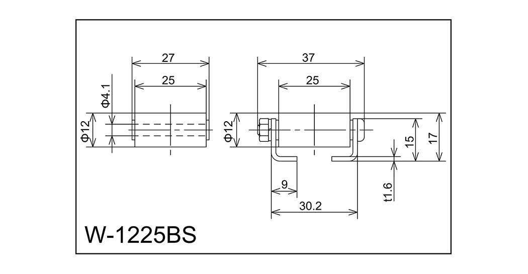
Tip D*w*d*b Şaft Çerçeve boyutu h*w1*w2*...
Bir makaralı kılavuz rayı veya silindir slayt yolu olarak da bilinen tekerlek konveyör, malzeme taşıma ve otomasyon üretim hatları için kullanılan yüksek verimli bir araçtır. Tipik olarak silindirlerden ve parantezlerden oluşur. Bu silindirler, belirli bir yönde pürüzsüz hareket için yükleri destekler ve yönlendirir.

Tip D*w*d*b Şaft Çerçeve boyutu h*w1*w2*...
| Tip | D*w*d*b | Şaft | Çerçeve boyutu h*w1*w2*w3*t | Yükseklik H | Uzunluk L | Tekerlek zift P | Tek Tekerlek Yükleme (kilogram) | Çerçeve tipi |
| W-1225bs | 12x25x4.1x27 | M4X35L | 15x30.2x9x37x1.6 | 17 | 1000 · 1500 · 2000 | 14 | 35 | A |

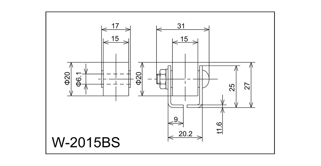
Tip D*w*d*b Şaft Çerçeve boyutu h*w1*w2*...
| Tip | D*w*d*b | Şaft | Çerçeve boyutu h*w1*w2*w3*t | Yükseklik H | Uzunluk L | Tekerlek zift P | Tek Tekerlek Yükleme (kilogram) | Çerçeve tipi |
| W-2015BS | 20x15x6.1x17 | M6X27L | 25x20.2x9x31x1.6 | 27 | 1000 · 1500 · 2000 | 25 · 30 · 35 | 30 | A |

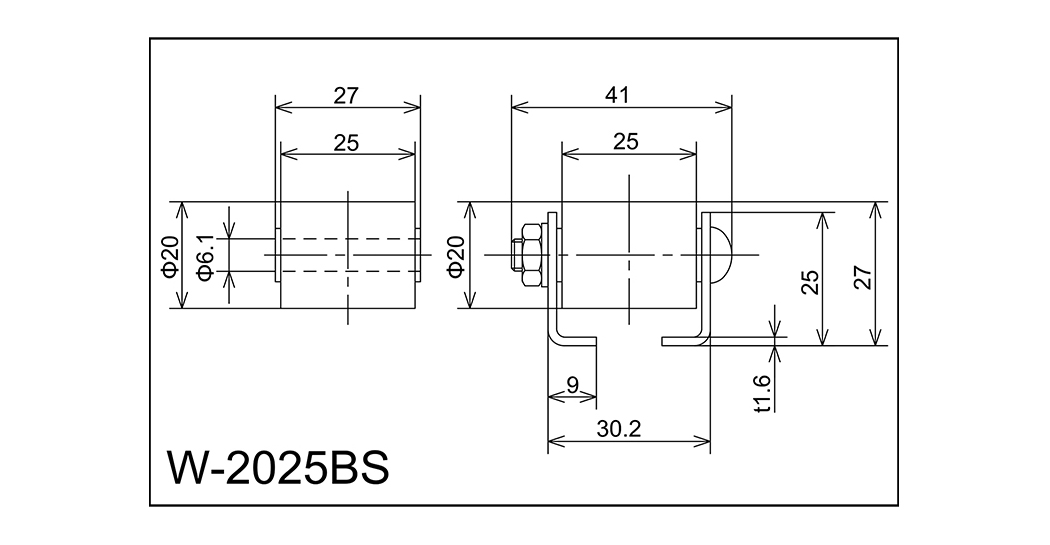
Tip D*w*d*b Şaft Çerçeve boyutu h*w1*w2*...
| Tip | D*w*d*b | Şaft | Çerçeve boyutu h*w1*w2*w3*t | Yükseklik H | Uzunluk L | Tekerlek zift P | Tek Tekerlek Yükleme (kilogram) | Çerçeve tipi |
| W-2025BS | 20x25x6.1x27 | M6X37L | 25x30.2x9x41x1.6 | 27 | 1000 · 1500 · 2000 | 25 · 30 · 35 | 40 | A |

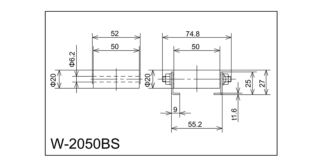
Tip D*w*d*b Şaft Çerçeve boyutu h*w1*w2*...
| Tip | D*w*d*b | Şaft | Çerçeve boyutu h*w1*w2*w3*t | Yükseklik H | Uzunluk L | Tekerlek zift P | Tek Tekerlek Yükleme (kilogram) | Çerçeve tipi |
| W-2050BS | 20x50x6.2x52 | M6X65L | 25x55.2x9x74.8x1.6 | 27 | 1000 · 1500 · 2000 | 25 · 30 · 35 | 50 | A |

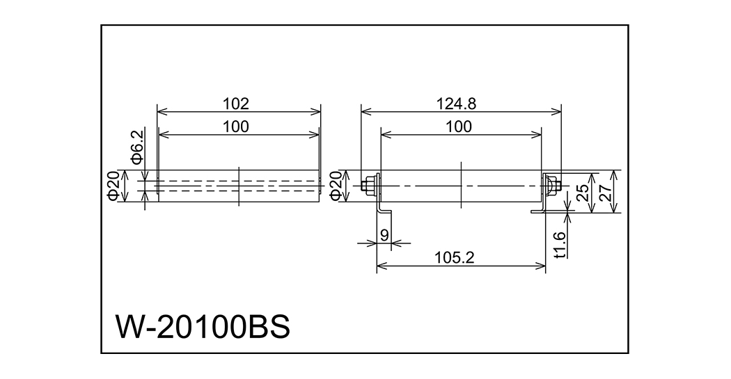
Tip D*w*d*b Şaft Çerçeve boyutu h*w1*w2*...
| Tip | D*w*d*b | Şaft | Çerçeve boyutu h*w1*w2*w3*t | Yükseklik H | Uzunluk L | Tekerlek zift P | Tek Tekerlek Yükleme (kilogram) | Çerçeve tipi |
| W-20100BS | 20x100x6.2x102 | M6X115L | 25x105.2x9x124.8x1.6 | 27 | 1000 · 1500 · 2000 | 25 · 30 · 35 | 50 | A |

Tip D*w*d*b Şaft Çerçeve boyutu h*w1*w2*...
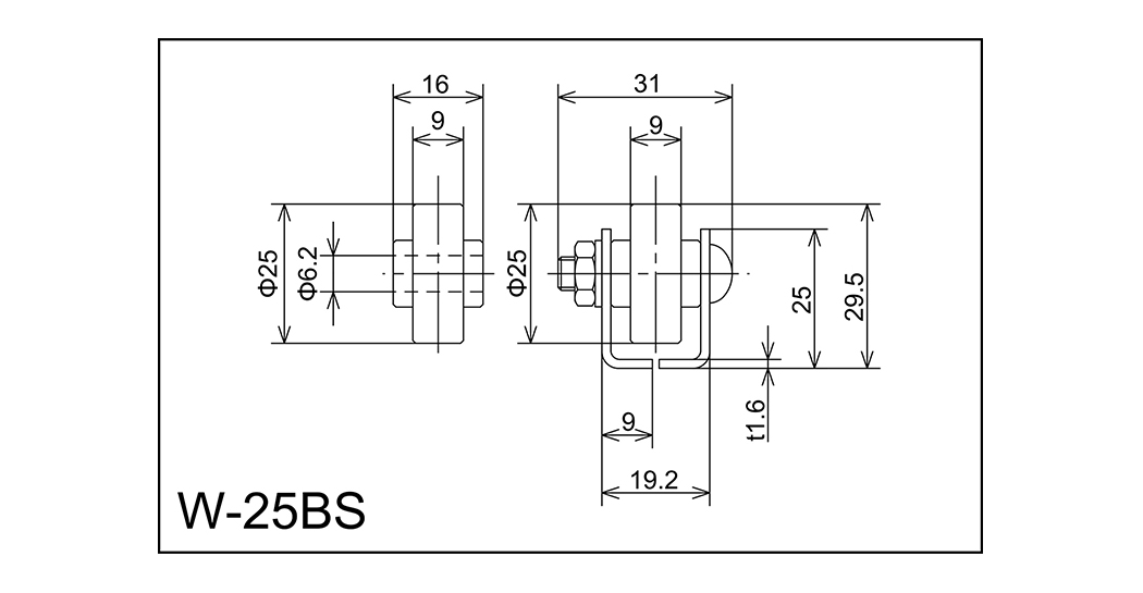
| Tip | D*w*d*b | Şaft | Çerçeve boyutu h*w1*w2*w3*t | Yükseklik H | Uzunluk L | Tekerlek zift P | Tek Tekerlek Yükleme (kilogram) | Çerçeve tipi |
| W-25bs | 25x9x6.2x16 | M6X27L | 25x19.2x9x31x1.6 | 29.5 | 1000 · 1500 · 2000 | 30 · 35 | 30 | A |

Tip D*w*d*b Şaft Çerçeve boyutu h*w1*w2*...
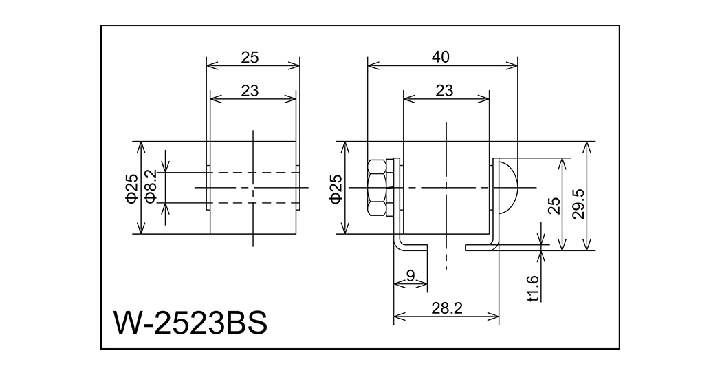
| Tip | D*w*d*b | Şaft | Çerçeve boyutu h*w1*w2*w3*t | Yükseklik H | Uzunluk L | Tekerlek zift P | Tek Tekerlek Yükleme (kilogram) | Çerçeve tipi |
| W-2523BS | 25x23x8.2x25 | M8X35L | 25x28.2x9x40x1.6 | 29.5 | 1000 · 1500 · 2000 | 30-35 | 50 | A |

Tip D*w*d*b Şaft Çerçeve boyutu h*w1*w2*...
| Tip | D*w*d*b | Şaft | Çerçeve boyutu h*w1*w2*w3*t | Yükseklik H | Uzunluk L | Tekerlek zift P | Tek Tekerlek Yükleme (kilogram) | Çerçeve tipi |
| W-30BSO | 30x50x10.5x55 | M10x75L | 30x65x30x82x5 | 37 | 1000 · 2000 · 3000 | 35 · 50 | 160 | N |

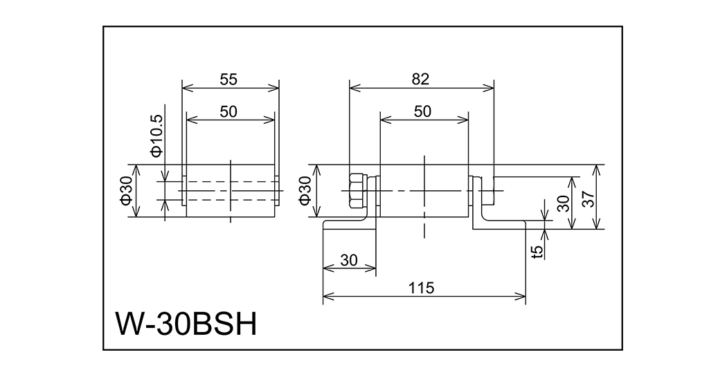
Tip D*w*d*b Şaft Çerçeve boyutu h*w1*w2*...
| Tip | D*w*d*b | Şaft | Çerçeve boyutu h*w1*w2*w3*t | Yükseklik H | Uzunluk L | Tekerlek zift P | Tek Tekerlek Yükleme (kilogram) | Çerçeve tipi |
| W-30BSH | 30x50x10.5x55 | M10x75L | 30x115x30x82x5 | 37 | 1000 · 2000 · 3000 | 35 · 50 | 160 | L |

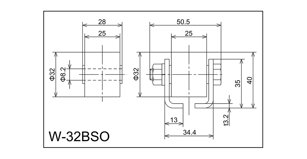
Tip D*w*d*b Şaft Çerçeve boyutu h*w1*w2*...
| Tip | D*w*d*b | Şaft | Çerçeve boyutu h*w1*w2*w3*t | Yükseklik H | Uzunluk L | Tekerlek zift P | Tek Tekerlek Yükleme (kilogram) | Çerçeve tipi |
| W-32BSO | 32x25x8.2x28 | M8x45L | 35x34.4x13x50.5x3.2 | 40 | 1000 · 2000 · 3000 | 40 · 70 · 100 | 90 | A |

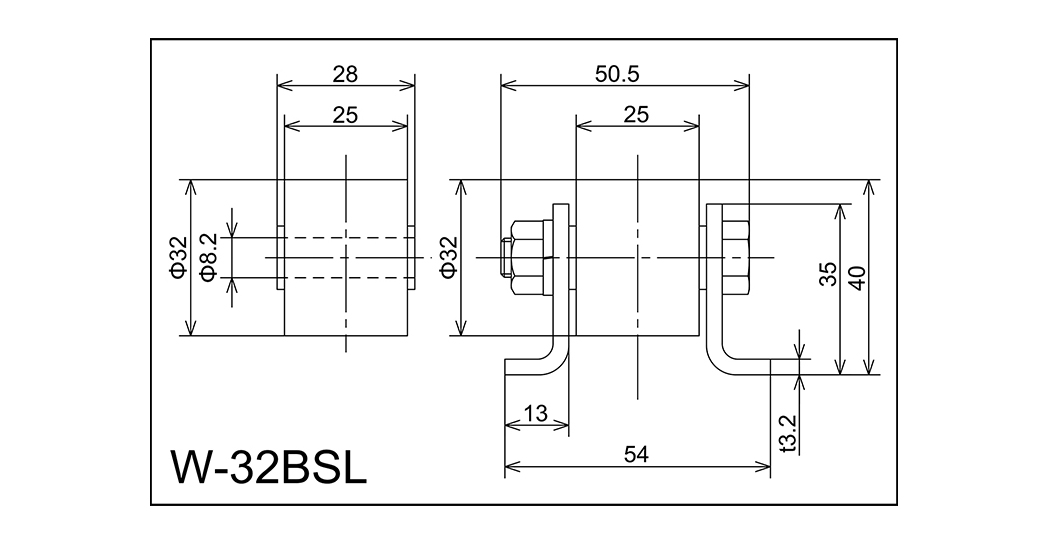
Tip D*w*d*b Şaft Çerçeve boyutu h*w1*w2*...
| Tip | D*w*d*b | Şaft | Çerçeve boyutu h*w1*w2*w3*t | Yükseklik H | Uzunluk L | Tekerlek zift P | Tek Tekerlek Yükleme (kilogram) | Çerçeve tipi |
| W-32BSL | 32x25x8.2x28 | M8x45L | 35x54x13x50.5x3.2 | 40 | 1000 · 2000 · 3000 | 40 · 70 · 100 | 90 | C |

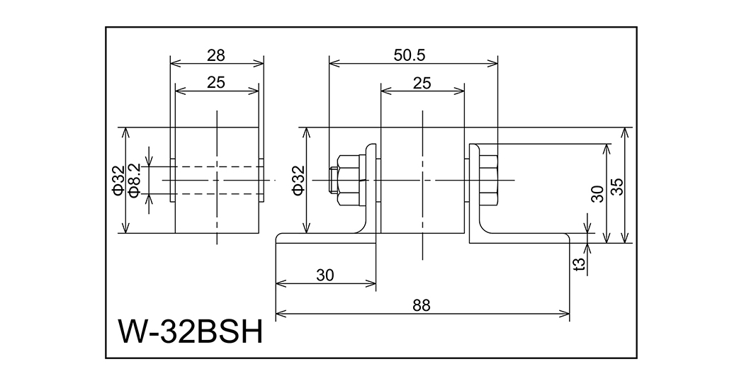
Tip D*w*d*b Şaft Çerçeve boyutu h*w1*w2*...
| Tip | D*w*d*b | Şaft | Çerçeve boyutu h*w1*w2*w3*t | Yükseklik H | Uzunluk L | Tekerlek zift P | Tek Tekerlek Yükleme (kilogram) | Çerçeve tipi |
| W-32BSH | 32x25x8.2x28 | M8x45L | 30x88x30x50.5x3.0 | 35 | 1000 · 2000 · 3000 | 40 · 70 · 100 | 90 | L |
Makaralı Konveyör Bakımı Neden Sistem Ömrünü Doğrudan Etkiler? Makaralı konveyör ...
DEVAMINI OKUMakaralı Konveyörü Gerçekten Ağır Hizmet Yapan Nedir? Ağır hizmet tipi bir makaralı konv...
DEVAMINI OKUMakaralı Konveyörler Nedir ve Türü Neden Önemlidir? Makaralı konveyörler Mallar...
DEVAMINI OKUMakaralı Konveyörler Neden Malzeme Taşımanın Bel Kemiği Olarak Kalıyor? Makaralı kon...
DEVAMINI OKUKonveyör sistemleri Her gün milyonlarca ton malzemeyi fabrikalar, depolar, maden saha...
DEVAMINI OKUİçin bakım ve bakım ipuçları tekerlek konveyör
Uzun süreli operasyon sırasında, konveyörler toz, yağ ve diğer enkaz biriktirebilir, bu da sadece sürtünmeyi arttırmakla kalmaz, aynı zamanda silindirler ve raylarda aşınmaya neden olur. Bu nedenle, günlük temizlik, silindir ve yol arasında düzgün bir temas sağlamak için silindir yüzeyinden enkazları çıkarmak için hava basıncı veya özel aletler kullanmalıdır. Özellikle yapışkan malzemelerle veya tozlu ortamlarda üretim hatlarıyla uğraşırken, temizleme frekansı arttırılmalıdır. Buna ek olarak, deforme olmamaları veya hasar görmediklerinden emin olmak için silindirlerin ve silindirlerin durumunu düzenli olarak kontrol etmek, arızaların önlenmesinde önemli bir adımdır.
Silindirler ve parantez, çalışma sırasında sürtünme üretecektir. Uzun süreli uygun yağlama eksikliği, aşırı aşınmaya ve hatta parçaların sıkışmasına neden olacaktır. Doğru yağlayıcıyı seçmek ve kullanım sıklığına göre düzenli olarak yağlamak, mekanik parçaların aşınmasını etkili bir şekilde azaltabilir ve ekipmanı sorunsuz bir şekilde çalıştırabilir. Genel olarak, her dönen parçanın tamamen yağlanmasını sağlamak için silindirlerin ve yatakların yağlanması her üç ayda bir kontrol edilmelidir. Buna ek olarak, uygun yağlama sadece aşınmayı azaltmakla kalmaz, aynı zamanda ekipman çalışması sırasında gürültüyü azaltabilir ve daha sessiz bir çalışma ortamı oluşturur.
Nominal yük aralığında çalıştığından emin olmak için konveyörün yükünü sık sık kontrol edin. Aşırı yük, silindirlerin hasarına veya deformasyonuna neden olabilir veya hatta daha ciddi arızalara neden olabilir. Bu nedenle, normal çalışma koşullarında, gevşek olmadığından ve anormal gürültü üretmediğinden emin olmak için her iletim sistemini düzenli olarak kontrol etmek gerekir. Genellikle ağır nesneler taşıyan sistemleri aktarmak için, şanzıman zincirleri, silindirler ve kayışlar gibi anahtar bileşenleri düzenli olarak kontrol etmek ve değiştirmek çok önemlidir.
Wuxi Huiqian Logistics Machinery Co., Ltd.'de, yüksek kaliteli ekipmanların verimli ve güvenilir operasyonların korunmasında önemini anlıyoruz. Gelişmiş Japon teknolojisi ve uzmanlığını entegre ederek kurulan şirketimiz, silindirler, silindir konveyörleri, kemer konveyörleri, depolama kafesleri, lojistik arabaları, mini konveyörler, çerçeveler ve rafların üretimi ve satışı konusunda uzmanlaşmıştır. Wuxi Ulusal Hi-Tech Teknoloji Geliştirme Bölgesi'nde bulunan tesisimiz, sağlam bir kalite yönetim sistemi, yetenekli bir işgücü ve son teknoloji ürünü işleme ekipmanı ile donatılmıştır.
Bizim tekerlek konveyör Özellikle, ileri teknoloji ile tasarlanmıştır ve katı kalite kontrolü altında yüksek kaliteli hammaddeler kullanılarak üretilmiştir. Bu konveyörler sadece yük kapasitesinde olağanüstü iyi performans göstermekle kalmaz, aynı zamanda silindirler ve izler arasındaki teması optimize ederek, aşınma ve enerji tüketimini azaltırken taşıma işlemi sırasında malzeme stabilitesini sağlar. Düşünceli ürün tasarımı ve hassas süreç kontrolü yoluyla, konveyörlerimiz sert çalışma ortamlarında bile uzun süreli kararlı çalışmayı sürdürür, bakım sıklığını en aza indirir ve işletmeler için işletme maliyetlerini düşürür.
Gizli uygulamaları tekerlek konveyör Günlük hayatta
Birçok kişi, her alışveriş yaptıklarında, malların depolardan raflara veya hatta doğrudan ödeme sayaçlarına taşındığını fark etmeyebilir, bu da konveyör sistemlerinin desteğinden ayrılamaz. Süpermarketler, alışveriş merkezleri ve dağıtım merkezlerinde, çok sayıda tekerlek konveyör sessizce çalışıyor ve personelin malları yuvarlama pistleri aracılığıyla verimli bir şekilde belirlenen yerlere taşımasına yardımcı oluyor. Bu tekerlek konveyörleri sadece operasyonel verimliliği önemli ölçüde iyileştirmekle kalmaz, aynı zamanda manuel kullanımın emek yoğunluğunu azaltır, potansiyel hataları ve kayıpları en aza indirir. Aynı zamanda, tasarımları istikrar ve dayanıklılığı vurgular ve malların zamanında rafa kaldırılmasını ve dolaşımını sağlamak için yoğun çalışma ortamlarında verimli bir şekilde çalışmalarını sağlar.
Benzer uygulamalar üretim, depolama ve sıralama merkezlerinde de bulunabilir. Özellikle modern lojistik sistemlerinde, tekerlek konveyörleri vazgeçilmez bir bileşendir. Büyük miktarlarda parsel, parça ve mal taşıyarak ve yönlendirerek pürüzsüz lojistik süreçleri sağlarlar. Bu alanlarda, tekerlek konveyörleri, küçük parsellerden ağır mallara kadar çeşitli yükleri işler, bu da hassas mühendislik makaralı sistemler aracılığıyla sorunsuz bir şekilde taşınabilir. Özellikle yoğun tatil mevsimlerinde veya promosyon dönemlerinde depolar ve lojistik merkezleri büyük ölçüde tekerlek konveyörlerine güvenir. Verimli mal akışı kapasitesi, ulaşım gecikmelerini etkili bir şekilde önler.
Wuxi Huiqian Logistics Machinery Manufacturing Co., Ltd.'de bu temel lojistik operasyonlarına katkıda bulunmaktan gurur duyuyoruz. Gelişmiş Japon teknolojisi ve uzmanlığını entegre ederek kurulan şirketimiz, yüksek kaliteli silindirler, makaralı konveyörler, kemer konveyörleri, depolama kafesleri, lojistik arabaları, mini konveyörler, çerçeveler ve rafların üretimi ve satışı konusunda uzmanlaşmıştır. Wuxi Ulusal Hi-Tech Technology geliştirme bölgesinde bulunan tesisimiz, sağlam bir kalite yönetim sistemi, yetenekli bir işgücü ve gelişmiş işleme ekipmanı ile donatılmıştır ve her ürünün en yüksek kalite ve performans standartlarını karşılamasını sağlar.
Özellikle tekerlek konveyörlerimiz bu günlük uygulama senaryolarında büyük avantajlar sergiliyor. Gelişmiş teknoloji ve premium silindir malzemeleri kullanılarak üretilen, karmaşık ortamlarda stabil olarak çalışırken çeşitli ağırlık ve şekillerde malzemeleri işleyebilirler. İster yüksek frekanslı operasyonlar gerektiren ticari bir perakende ortamı veya hız ve hassasiyet talep eden bir depolama ve lojistik alanı olsun, tekerlek konveyörlerimiz verimli, pürüzsüz ve güvenilir malzeme taşıma çözümleri sunar. Yenilikçi tasarım ve titiz kalite kontrolü yoluyla ürünlerimiz, işletmeleri kesintisiz lojistik operasyonlarına ulaşmada, maliyetleri azaltmada ve verimliliği artırmada destekliyor.
Geleceğe işçiliği getirmek.
No.60, Zhenhu North Road, Hudai kasabası, Binhu Bölgesi , Wuxi 214100, Çin
+86 139-2153-1116
+86-510-8558 1519/8558 1530
+86-510-8558 1520







