HJR-2015B
Cat:Reçine silindiri konveyör
W (mm) sillerinin genişliği 100 200 300 ...
Reçine silindir konveyörleri tipik olarak entegre reçine yatağı ve akslı PVC silindirlerine sahiptir. Çerçeve seçenekleri toz kaplı çelik, paslanmaz çelik veya alüminyum içerir. Bu konveyör tipi hafif yük ürünleri için uygundur ve gıda, ilaç ve kimyasal endüstrilerde de geçerlidir.

W (mm) sillerinin genişliği 100 200 300 ...
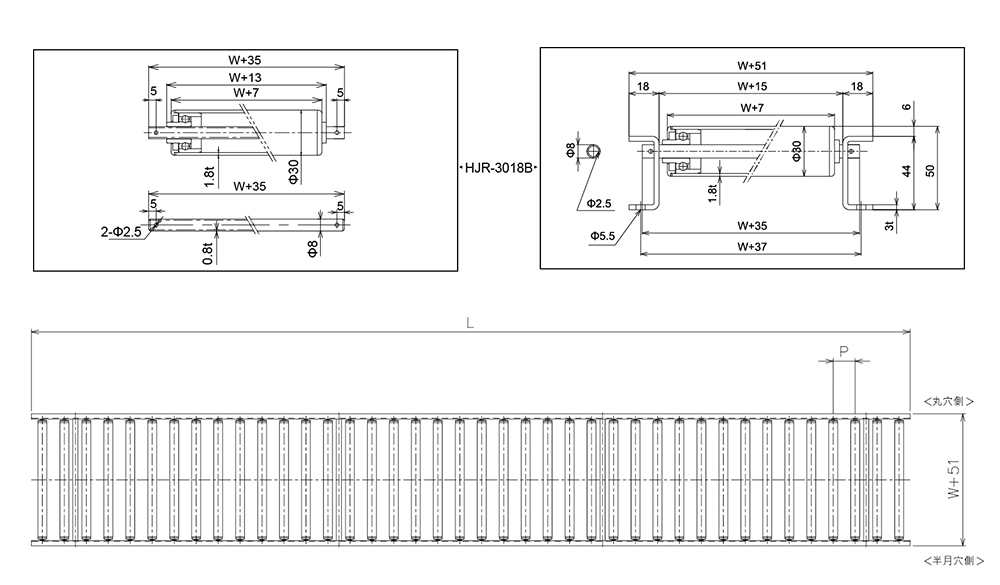
| W (mm) sillerinin genişliği | 100 | 200 | 300 | 400 | 500 | |
| Konveyörün genişliği w 45 (mm) | 145 | 245 | 345 | 445 | 545 | |
| Silindirin yüklenmesi (kg) | 11.5 | 10.7 | 10 | 9.2 | 7.0 | |
| 2000L Konveyör ağırlığı (kg) | 25p | 4.3 | 6.4 | 8.5 | 10.7 | 12.8 |
| 30p | 3.8 | 5.7 | 7.5 | 9.4 | 11.3 | |
| Roller ağırlığı (g) | 33 | 55 | 78 | 100 | 12.2 | |

W (mm) sillerinin genişliği 100 200 300 ...
| W (mm) sillerinin genişliği | 100 | 200 | 300 | 400 | |
| Konveyörün genişliği w 45 (mm) | 145 | 245 | 345 | 445 | |
| Silindirin yüklenmesi (kg) | 13.5 | 12.6 | 12.5 | 11.8 | |
| 2000L Konveyör ağırlığı (kg) | 30p | 6.5 | 8.5 | 11 | 19 |
| 40p | 5 | 7.5 | 10 | 12.3 | |
| Roller ağırlığı (g) | 50.5 | 75 | 115 | 145 | |

W (mm) sillerinin genişliği 100 200 300 ...
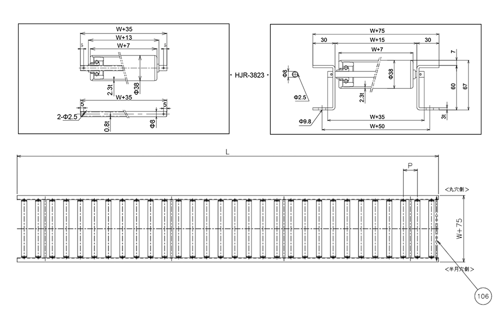
| W (mm) sillerinin genişliği | 100 | 200 | 300 | 400 | 500 | |
| Konveyörün genişliği W 51 (mm) | 151 | 251 | 351 | 451 | 551 | |
| Silindirin yüklenmesi (kg) | 16.5 | 15.7 | 15 | 14.2 | 13.5 | |
| 1500L Konveyör ağırlığı (kg) | 40p | 7.2 | 10.8 | 14.5 | 18 | 21.7 |
| 50p | 6.2 | 9.2 | 12.2 | 15.1 | 18.2 | |
| Roller ağırlığı (g) | 64 | 106 | 149 | 191 | 235 | |

W (mm) sillerinin genişliği 100 200 300 ...
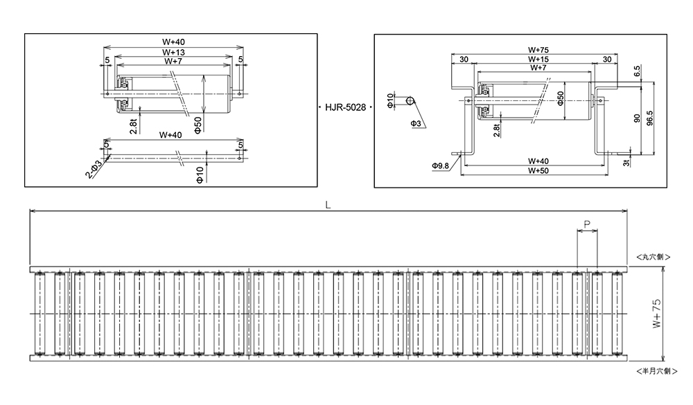
| W (mm) sillerinin genişliği | 100 | 200 | 300 | 400 | 500 | |
| Konveyörün genişliği W 75 (mm) | 175 | 275 | 375 | 475 | 575 | |
| Silindirin yüklenmesi (kg) | 21.5 | 20.8 | 20.1 | 19.5 | 18.6 | |
| 3000L Konveyör ağırlığı (kg) | 50p | 11.5 | 15.2 | 18.8 | 22.5 | 26.2 |
| 75p | 9.7 | 12.3 | 14.8 | 17.5 | 20.0 | |
| Roller ağırlığı (g) | 91 | 145 | 199 | 253 | 307 | |

W (mm) sillerinin genişliği 100 200 300 ...
| W (mm) sillerinin genişliği | 100 | 200 | 300 | 400 | 500 | 600 | |
| Konveyörün genişliği W 75 (mm) | 175 | 275 | 375 | 475 | 575 | 675 | |
| Silindirin yüklenmesi (kg) | 32 | 31 | 30 | 29.5 | 28.5 | 27.7 | |
| 3000L Konveyör ağırlığı (kg) | 75p | 13.5 | 17.7 | 22.0 | 26.1 | 30.5 | 34.1 |
| 100p | 12.1 | 15.3 | 18.6 | 21.9 | 25.2 | 27.8 | |
| Roller ağırlığı (g) | 148 | 243 | 339 | 435 | 530 | 626 | |

W (mm) sillerinin genişliği 100 200 300 ...
| W (mm) sillerinin genişliği | 100 | 200 | 300 | 400 | 500 | 600 | |
| Konveyörün genişliği W 75 (mm) | 175 | 275 | 375 | 475 | 575 | 675 | |
| Silindirin yüklenmesi (kg) | 35 | 34 | 33 | 30 | 29 | 28.5 | |
| 3000L Konveyör ağırlığı (kg) | 75p | 14.4 | 19.3 | 24.2 | 29.0 | 34.0 | 38.2 |
| 100p | 12.7 | 16.5 | 20.3 | 23.9 | 27.8 | 30.9 | |
| Roller ağırlığı (g) | 172 | 283 | 395 | 506 | 617 | 728 | |
Makaralı Konveyör Bakımı Neden Sistem Ömrünü Doğrudan Etkiler? Makaralı konveyör ...
DEVAMINI OKUMakaralı Konveyörü Gerçekten Ağır Hizmet Yapan Nedir? Ağır hizmet tipi bir makaralı konv...
DEVAMINI OKUMakaralı Konveyörler Nedir ve Türü Neden Önemlidir? Makaralı konveyörler Mallar...
DEVAMINI OKUMakaralı Konveyörler Neden Malzeme Taşımanın Bel Kemiği Olarak Kalıyor? Makaralı kon...
DEVAMINI OKUKonveyör sistemleri Her gün milyonlarca ton malzemeyi fabrikalar, depolar, maden saha...
DEVAMINI OKUGeleceğe işçiliği getirmek.
No.60, Zhenhu North Road, Hudai kasabası, Binhu Bölgesi , Wuxi 214100, Çin
+86 139-2153-1116
+86-510-8558 1519/8558 1530
+86-510-8558 1520







